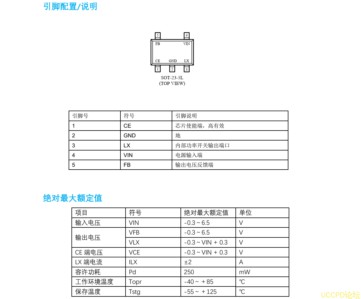
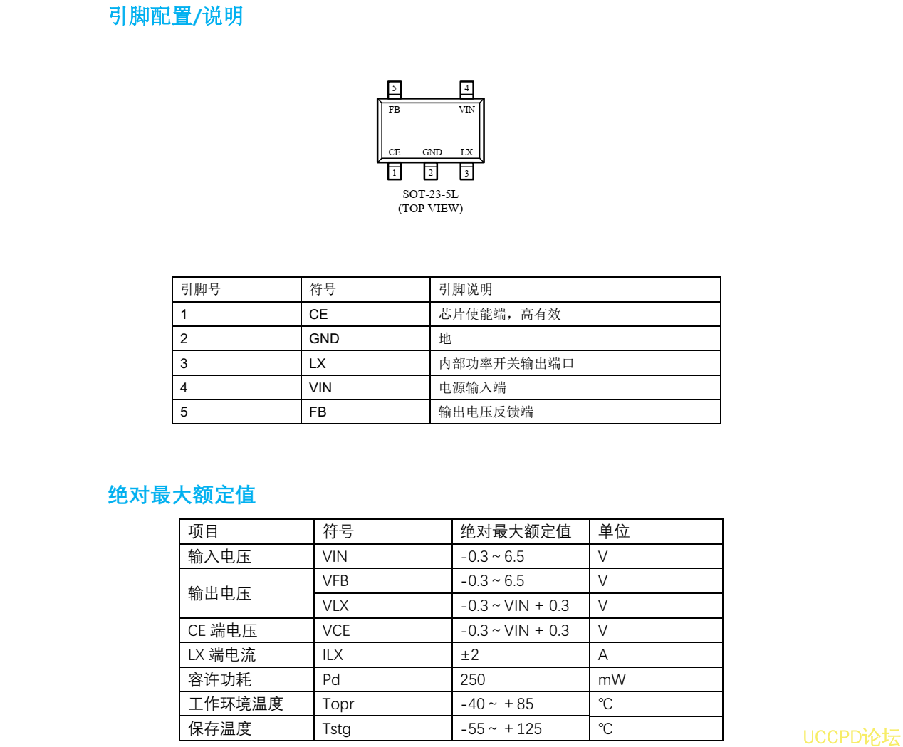
AS15D是一颗同步整流的DC-DC降压芯片,AS15D芯片资料
- 2020-09-12 15:29:00
- 夸克微 原创
- 5768
AS15D是一颗同步整流的DC-DC降压芯片,具有高效率。一般适用于锂电池3V-4.2V输入,或者5V输入的降压稳压电路应用。
AS15D
采用SOT23-5封装。
AS15D电路图:
PW2051,丝印AS15D是一颗 DC-DC同步降压转换器芯片,输入电压范围 2.5V-5.5V,,最大负载电流 1.5A,可调输出电压,频率 1.5MHZ高频率,可采用贴片电感,节省空间,采用 SOT23-5封装形式。
供应商 深圳市夸克微科技 MR郑 13528458039 qq:2867714804


