LTH7R规格书,LTH7R锂电池充电管理芯片
- 2020-09-04 15:37:00
- 夸克微 原创
- 6239
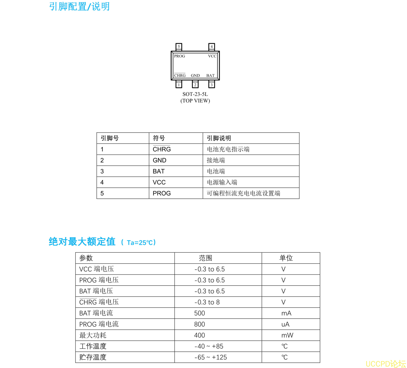
LTH7R采用 SOT23-5L封装配合较少的外围原件使其非常适用于便携式产品 .
产品特点
l 可编程充电电流 500mA
l 无需外接 MOSFET,检测电阻以及隔离二极管
l 恒定电流 /恒定电压操作,并具有可在无过热危险的情况下实现充电速率最大化的热调节功能。
l 精度达到± 1%的 4.2V预充电电压
l 用于电池电量检测的充电电流监控器输出
l 自动再充电
- PW4054.pdf 3200 MD5

